amolik sankalp
Sector 85, Faridabad
About Amolik Sankalp
A comfortable life with a touch of contemporary architecture is what most of our hearts truly desire. Amolik Sankalp is a residential project which provides all the basic amenities along with car parking, shopping centre, and community hall, the society gives you a homely feeling. To give a better lifestyle to your family, it offers all the longevity of networks around the city. The construction started in 2019 and despite two COVID-19 outbreaks and labour migration, the project is already 6 months ahead of its timeline. Amolik didn’t let the challenge create a hurdle in the construction of the project and with the proper coordination, it kept working on the project without compromising on the health of its team.
PROJECT HIGHLIGHTS

Landscaping & Tree Planting

Fire Fighting System

Mini-Theater

Indoor Games

Earthquake Resistant

Meditation Hall

Squash Court

Children’s Play Area

Cafeteria

Cricket Pitch

School

Broadband Internet
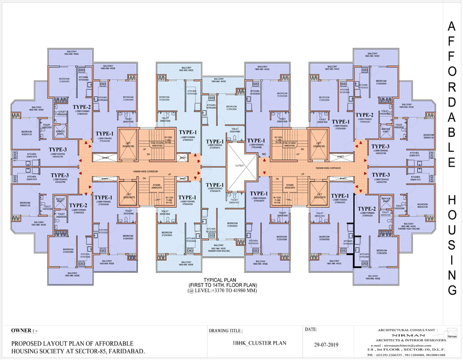
UNIT PLAN
Good Floor Plans is very important for apartments. In order to impress people with the first look, the apartment
is given with full preference of the customer.






SITE PLAN
Location